Sign In | Join Free | My chinalane.org
China Shenzhen Senring Electronics Co., Ltd. logo
Shenzhen Senring Electronics Co., Ltd.
Shenzhen Senring Electronics Co., Ltd.
Verified Supplier

4 Years

Home > High Frequency Rotary Joint >

HD-SDI High Frequency Rotary Joint Slip Ring Transmitter For Vedio Signal

Shenzhen Senring Electronics Co., Ltd.
Trust Seal
Verified Supplier
Credit Check
Supplier Assessment
Contact Now

HD-SDI High Frequency Rotary Joint Slip Ring Transmitter For Vedio Signal

  • 1
  • 2

Brand Name : senring

Model Number : O056

Certification : CE, ISO9001

Place of Origin : CHINA

MOQ : 1

Price : Negotiation

Payment Terms : T/T, L/C

product name : 1080P HD-SDI Slip Ring

VSWR : ≤1.3

Specification : RG405

Frequency rate : DC-3GHz

Insertion loss fluctuation : +/-0.05dB

impedance : 50Ω

Contact Now

1 Channel HD-SDI Slip Ring Solid With Flange Can Stable Transmit 1080P HD Vedio Signal

Description of O056 HD-SDI Slip Ring

Adopting American-imported components and high-frequency signal processing technology, it supports 1 group of DC~3GHz high-rate data for transmitting 1080P HD signals (downward compatible), and can mix and transmit 0~48 channels of power current/signal. Compared with similar products on the market, it has the advantages of stable transmission of high-definition video signals without delay, frame loss, attenuation, etc.

Features of O056 HD-SDI Slip Ring

1. It supports DC~3GHz and can stably transmit 1080P HD video signals.

2. It is solid and without holes, and is installed with flanges.

3. It can mix and transmit 1-48 channels of power current or signals.

4. It adopts the American military surface treatment process and ultra-hard gold plating process to ensure extremely low resistance fluctuations and ultra-long life.

5. Typical applications include security monitoring (HD cameras), microwave antennas, WiFi antennas, etc.

Technical Specification of O056 HD-SDI Slip Ring

Frequency rate DC-3GHz
Insertion loss fluctuation +/-0.05dB
Specification RG405
VSWR ≤1.3
impedance 50Ω
Mechanical Data
spec data
working life 10millions for ref(depends on working conditions)
Rotating speed 250RPM continously
working temp. -30℃∼80℃
work humidity 0∼85% RH
contact material refer to slip ring grade table
housing material aluminum alloy
torque 0.1N.m+(0.03N.m/6 circuits)
Insertion loss 0.65dB/1GHz Max
return loss -18 dB/1GHz Max
Max speed 50RPM
VSWR fluctuation +/-0.05
Style BNC/F (Options)
Electrical Data
spec data
voltage range 0∼440VAC/VDC 0∼440VAC/VDC
insulation resistance ≥1000MΩ/500VDC ≥1000MΩ/500VDC
lead wire spec. AWG17# Silver-plated teflon AWG26# Silver-plated teflon
lead wire length standard 250mm(can be customized)
Dielectric Strength 500VAC@50Hz,60s
Electrical noise < 0.01Ω
Electrical Noise < 10mΩ
CE certificate Yes
material RoHS compliant

Part no. description

HD-SDI High Frequency Rotary Joint Slip Ring Transmitter For Vedio Signal

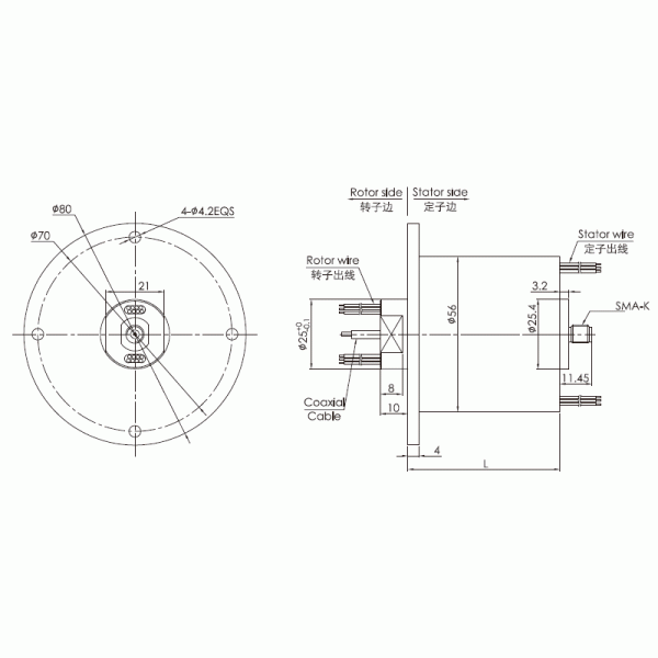
Drawing

HD-SDI High Frequency Rotary Joint Slip Ring Transmitter For Vedio Signal

Standard model list

Model HD-SDI 10A signal/5A lengtd (mm)
O056-02S 1 channel 0 2 26.8
O056-0210 1 channel 2 0 26.8
O056-03S 1 channel 0 3 29.6
O056-0310 1 channel 3 0 29.6
O056-06S 1 channel 0 6 38
O056-0210-04S 1 channel 2 4 38
O056-0410-02S 1 channel 4 2 38
O056-0610 1 channel 6 0 38
O056-12S 1 channel 0 12 54.8
O056-0210-10S 1 channel 2 10 54.8
O056-0310-09S 1 channel 3 9 54.8
O056-0610-06S 1 channel 6 6 54.8
O056-0810-04S 1 channel 8 4 54.8
O056-1010-02S 1 channel 10 2 54.8
O056-1210 1 channel 12 0 54.8
O056-18S 1 channel 0 18 71.5
O056-0210-16S 1 channel 2 16 71.5
O056-0410-14S 1 channel 4 14 71.5
O056-0610-12S 1 channel 6 12 71.5
O056-0810-10S 1 channel 8 10 71.5
O056-1010-08S 1 channel 10 8 71.5
O056-1210-06S 1 channel 12 6 71.5
O056-1410-04S 1 channel 14 4 71.5
O056-1610-02S 1 channel 16 2 71.5
O056-24S 1 channel 0 24 88.4
O056-0410-20S 1 channel 4 20 88.4
O056-0610-18S 1 channel 6 18 88.4
O056-1210-12S 1 channel 12 12 88.4
O056-1810-06S 1 channel 18 6 88.4
O056-2410 1 channel 24 0 88.4
O056-30S 1 channel 0 30 105.2
O056-0210-28S 1 channel 2 28 105.2
O056-0410-26S 1 channel 4 26 105.2
O056-0610-24S 1 channel 6 24 105.2
O056-36S 1 channel 0 36 122
O056-0410-32S 1 channel 4 32 122
O056-0610-30S 1 channel 6 30 122
O056-42S 1 channel 0 42 138.8
O056-0410-38S 1 channel 4 38 138.8
O056-48S 1 channel 0 48 155.6


Product Tags:

HD-SDI High Frequency Rotary Joint

      

High Frequency Rotary Joint Transmitter

      

HD-SDI slip ring transmitter

      
Wholesale HD-SDI High Frequency Rotary Joint Slip Ring Transmitter For Vedio Signal from china suppliers

HD-SDI High Frequency Rotary Joint Slip Ring Transmitter For Vedio Signal Images

Inquiry Cart 0
Send your message to this supplier
 
*From:
*To: Shenzhen Senring Electronics Co., Ltd.
*Subject:
*Message:
Characters Remaining: (0/3000)